<- BACK

自作タコメーター(実験編)

TOYOTA車なら難易度低め!


タコメーターの一例

男のロマン、タコメーター

特に説明不要とは思いますが、回転計ですね。エンジン等の回転数を示すメーターです。

スポーツ色の強い車には搭載されますが、一般車ではほとんど省略されてしまいます。うちのボロ車にも付いていません。
OBD2端子の一例

OBD2端子ってやつがある

タコメーターを後付けする場合、点火プラグ周辺の配線からパルスを引っ張ってくるみたいな手法がネットで解説されているのを見て「いやーめんどくせーなー」とずっと躊躇していたのですが、 なんかOBD2端子ってやつから簡単に情報取れるらしいぜと言うのを最近知りました。

この端子は、本来は整備士が専用テスターを接続して故障診断するために装備されているものですが、ここに接続する一般向けアクセサリーもいろいろ販売されているようです。
ELM327ドングルの一例

ドングル+スマホなら瞬殺

後付けの最も簡単な手法として、OBD2端子に写真のようなBluetoothドングルを挿しこんでスマホにデータを飛ばすというのがあります。Amazonでたくさん売られています。

スマホアプリ「Car Scanner PRO」で試してみるとタコメーター他いろいろな機能があっけなく簡単に動きました!ただし毎回アプリを起動するのが面倒ですね。できれば専用のタコメーターを装備したいところです。
PIVOTのタコメータ

お金持ちならPIVOT一択なんだけど、

OBD2端子にポン付けできる単体のメーターもあって、中でもPIVOTのやつは界隈で評価が高くて良さげです。

ただし有名ブランドのはそこそこいいお値段、一個20,000円とかしちゃいます。なので庶民の私は勉強を兼ねてそこらへんのパーツで自作にチャレンジすることにしました。
TOYOTAのOBD2端子

CAN通信とTAC信号

まず車載コンピューターと通信する際のCAN通信という世界標準規格があります。ここから車に関するあらゆる情報を得ることができます。

さらに(ダイハツ含む)トヨタ系の場合はTACという回転数の専用端子からも情報を得ることができます。自動車メーカーにより任意の信号をいろいろOBD2端子に引っ張ってきているようです。

(他メーカーの場合、仮にOBD2端子からTAC信号が取れなくても、車載コンピューター周りの配線から分岐すれば可能なようです。)
COROLLA_ODB2_TAC

TAC信号実測

うちの車(12系カローラ)での実測です。めちゃくちゃ扱いやすそうなくっきりパルスが出ていました!

これならARDUINO等のマイコンで簡単に処理できますね!
試作コード

試作コード

実体はただの周波数カウンタです。

Falling Edgeで計測開始、Rising Edgeの個数をカウントします。200ms経過したらストップし、150倍すればRPM表示になりますね。

出力はデジタル直読及びNeoPixelのバーグラフ表示でやってみました。

TACHO_METER_6.zip
試作ボード

試作ボード

アーチ状の15素子のNeoPixel(1/4 60 RING)はアナログメーターっぽい雰囲気が出ますね。これ本来は四つ連結して円形にして時計とかを作るやつです。
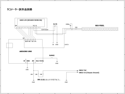
試作回路

試作回路

OBD2端子との接続には5V系と12V系のレベル変換が必要です。自動車の12V系は充電時などかなり電圧が上昇しますが、MAXでも15Vを超えることはないので単純に3分圧すればArduino UNOで安全に扱えるでしょう。

NeoPixelは信号線1本でコントロールというのが売りですね。仮にLCDを省略すれば結線はスーパーシンプルになります。

試作品 お試し中

試作ボード

小型化に向けて

Adafruit Trinket + Adafruit NeoPixel (Stick 8) でテスト中。

試作品 お試し中

基板に組んだタコメーター

実用1号機

次のページへ